
SDC2130/SDC2150 Motor Controller Datasheet 3
Power Wires Identifications and Connection
Power Wires Identifications and Connection
Power connections are made through a 6 position screw terminal.
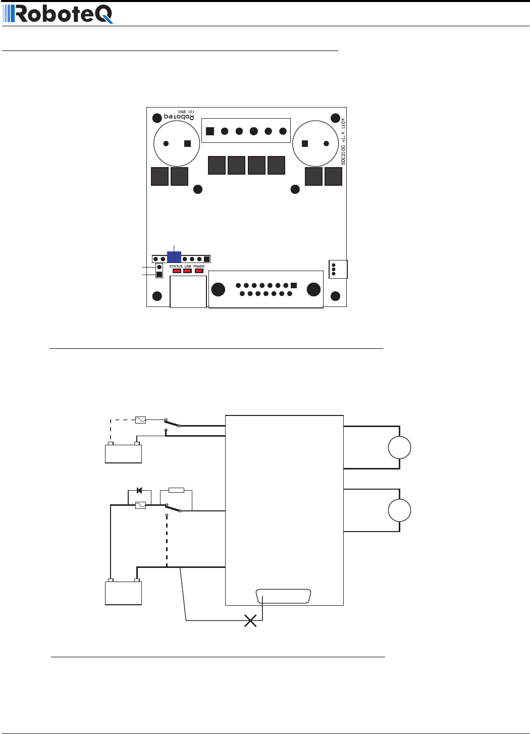
The diagram below shows how to wire the dual-channel controller and how to turn power On and Off.
M1+ M1- VMot GND M2+ M2-
GND
PwrCtrl
Spektrum
Radio Connecto
50V
Jumper
USB Connector IO Connector
Battery and Motor Connections
18
915
P1
J1
P3
P4
J2
P2
FIGURE 8. Controller layout
Motor 1
VMot
PwrCtrl
SW1 Main
On/Off Switch 1A
F2
1A
Diode
>10A
Resistor
1K, 0.5W
+-
SW2
Emergency
Cut-off Switch
F1
M1+
M1-
M2+
M2-
I/O Connector
Ground
Ground
Motor 2
Main
Battery
Backup
Battery
Note 5
Do not Connect!
Note 1
Note 4
Note 3 Note 2
FIGURE 9. Powering the controller. Thick lines identify MANDATORY connections
Comentários a estes Manuais